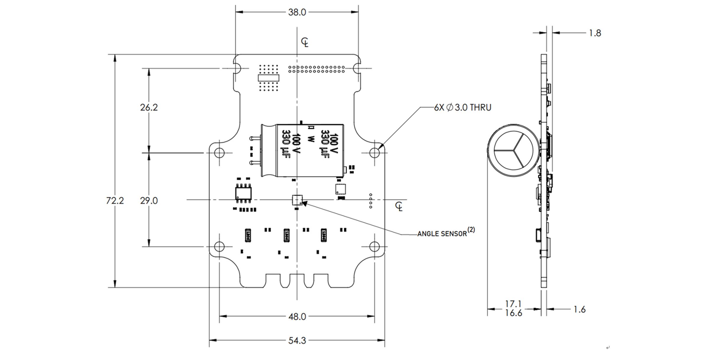
The MMP760100-75-R2-1 is part of a family of smart motor driver modules for servo motor applications. This module is designed to fit 60mm and 57mm (NEMA 23) motors. It integrates an angular sensor, servo controller, and power stage components.
The module supports four commonly used motion control modes: profile position (PP), profile velocity (PV), profile torque (PT), and homing (HM). Other advanced functions, such as parameter identification, loop auto-tuning, notch filtering, feed-forward control, and AccuFilter are also implemented to improve motion control performance. The MMP760100-75-R2-1 has six I/Os with selectable functions and polarity.
MotionLAB is an easy-to-use GUI software that allows users to flexibly optimize the design through the communication interface. The parameters are saved in the module’s nonvolatile memory (NVM).
This motor driver module makes it simple to develop a motor control system.
Show moreShow less
Validate your login
Log in to your account
Create New Account
Forgot Password
Features & Benefits
RS-485 Interface with Modbus Protocol and Step/Direction Control Interface
12V to 75V Input Voltage (VIN) Range
400W Maximum Continuous Output Power (POUT)
5.8A to 10A Continuous Output Current (IOUT)
17.4A to 30A Peak Output Current (IOUT_MAX)
0.1° Position Resolution
Four Control Modes: Profile Position (PP), Profile Velocity (PV), Profile Torque (PT), and Homing (HM)
Motor and Load Parameter Identification and Loop Parameter Auto-Tuning
AccuFilter for Low Noise and Vibration
Advanced Motion Controller Enables
Smooth Transition between Different Operational Modes
Two Separate Notch Filters for Elastic Load Optimization
Validate your login
Log in to your account
Create New Account