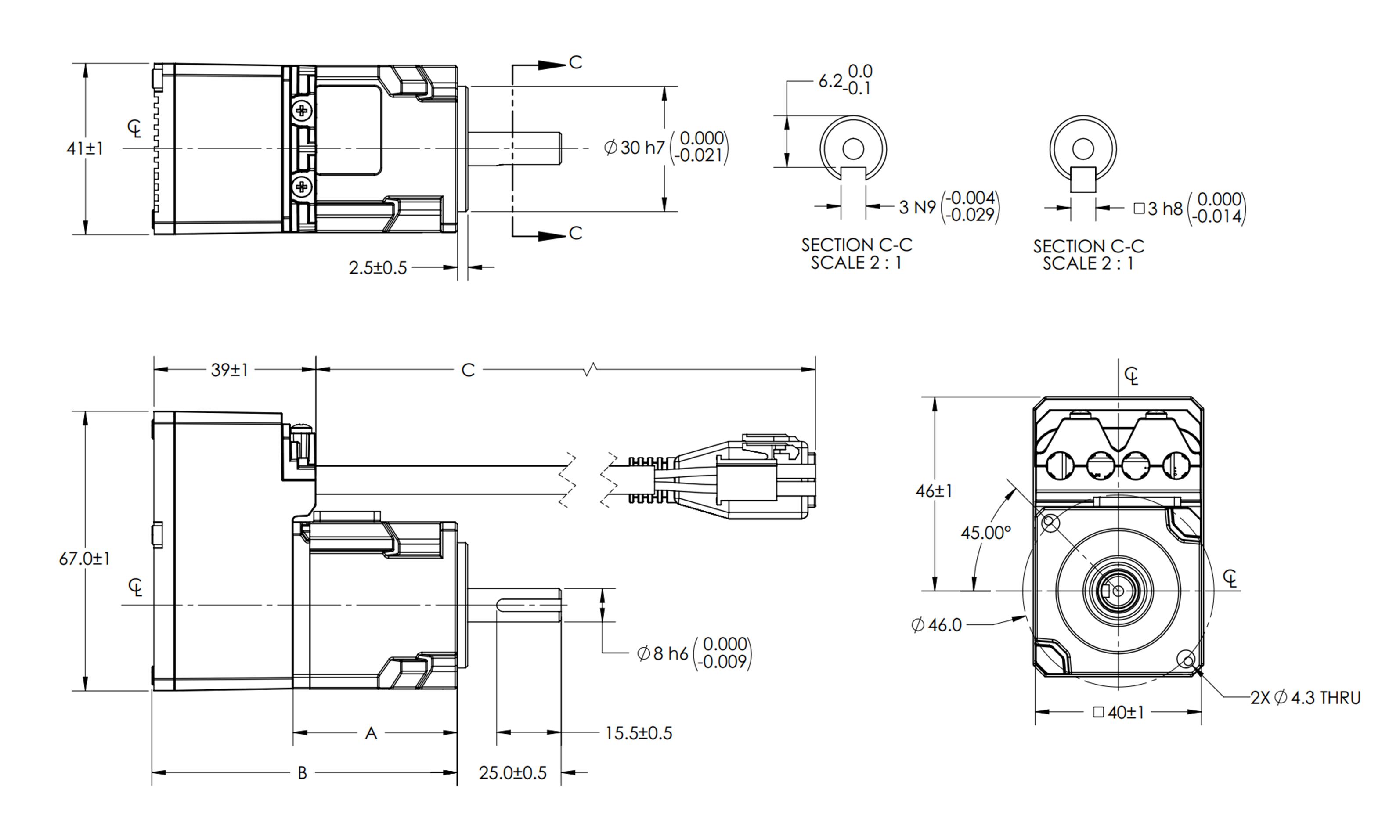
The MMS74005BE-OB2PKN-ZHOA0 is part of the MMS7xxxxBE series of EtherCAT all-in-one servos, which are fully integrated servo motors that support EtherCAT communication. The MMS7xxxxBE series integrates a servo drive, position encoder, permanent magnet synchronous motor (PMSM), EtherCAT communication, and a multi-functional external input/output (I/O) interface. The high level of integration and the compactness of the MMS7xxxxBE series simplifies wiring and reduces costs. The series is available in 40mm, 60mm, and 80mm flange sizes, and covers a power range from 50W to 750W.
The motors can be operated in position, velocity, or torque control mode. The motors can be controlled via an EtherCAT interface with a CANopen over EtherCAT (CoE) protocol. Parameters can be configured via the PC-based host computer program (MotionLAB), which is connected to the motor via the MLink debugging interface. After optimization, the parameters can be saved to the module's non-volatile memory (NVM).
Validate your login
Log in to your account
Create New Account