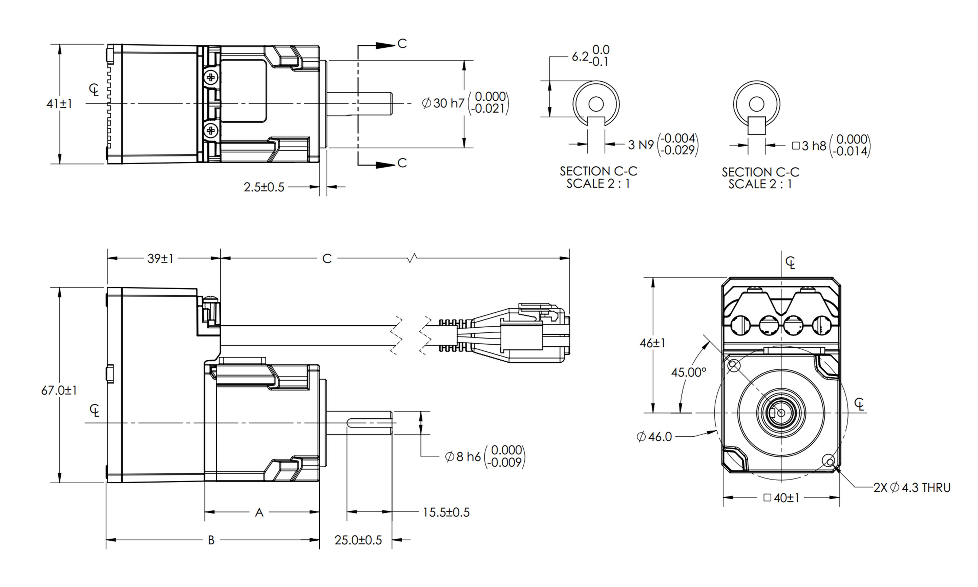
The MMS78075BE-OB2PKN-ZHOA0 is part of the MMS7xxxxBE series of EtherCAT all-in-one servos, which are fully integrated servo motors that support EtherCAT communication. The MMS7xxxxBE series integrates a servo drive, position encoder, permanent magnet synchronous motor (PMSM), EtherCAT communication, and a multi-functional external input/output (I/O) interface. The high level of integration and the compactness of the MMS7xxxxBE series simplifies wiring and reduces costs. The series is available in 40mm, 60mm, and 80mm flange sizes, and covers a power range from 50W to 750W.
The motors can be operated in position, velocity, or torque control mode. The motors can be controlled via an EtherCAT interface with a CANopen over EtherCAT (CoE) protocol. Parameters can be configured via the PC-based host computer program (MotionLAB), which is connected to the motor via the MLink debugging interface. After optimization, the parameters can be saved to the module's non-volatile memory (NVM).
Show moreShow less
Validate your login
Log in to your account
Create New Account
Forgot Password
Features & Benefits
Field-Oriented Control (FOC)
Supports 100Mbps EtherCAT Communication, Adopts CANopen over EtherCAT (CoE) Protocol, Supports Dynamic Process Data (PDO), Supports Distributed Clock (DC)
Conforms to Standard CiA402 Motion Control Protocol, Supports Profile Position (PP), Profile Velocity (PV), Profile Torque (PT), Cyclic Synchronous Position (CSP), Cyclic Synchronous Velocity (CSV), Cyclic Synchronous Torque (CST), and and Homing (HM) Motion Modes
Integrated High-Resolution Encoder
Equipped with Motor and Load Parameter Identification and Loop Self-Tuning Function
Advanced Motion Controller for Smooth Switching Between Different Operating Modes
General-Purpose Input/Output (I/O) for Logic Digital Signal Inputs or Outputs
Mechanical Characterization Function, 4 Notch Filters for Mechanical Resonance Elimination
DC Bus Voltage Detection and Limiting Function
Drive Temperature Detection and Extensive Protection Functions
Show moreShow less
IN STOCK
Ships after Feb 23rd, Then arrives 3-4 business days.
Validate your login
Log in to your account
Create New Account